Answer
Sep 10, 2018 - 04:36 AM
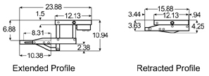
The Lippert 3726041 is no longer available and I do not have metric measurements. The step is 24 inches wide, here are the rest of the measurements.
Do you have the same question? Follow this Question
Sep 10, 2018 - 04:36 AM
View all RV Entry Steps Questions & Answers
View all Lippert Components 3726041 Revolution Series Single Entry Step Questions & Answers
We look to ensure that every question is answered by the best people with relevant expertise and experience, the best answers include multiple perspectives. Do you have relevant expertise or experience to contribute your answer to any of these commonly asked questions?
Add New Comment